10 years for Sensor
服務熱線:0755-82908211
??
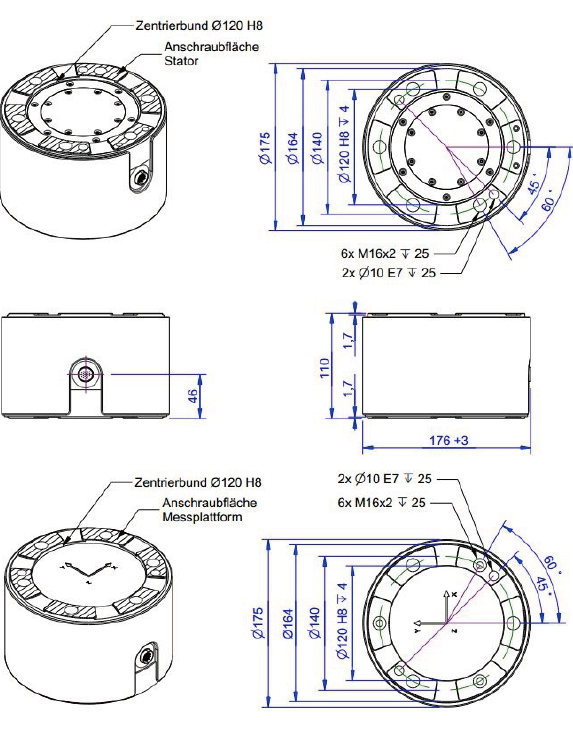
力量程:Fxyz:10N~50N
扭矩量程:Mxyz:1Nm~5Nm
單向精度:≤0.1%FS
綜合精度:0.5%FS
?
粵公網(wǎng)安備 44030602001199號